靠谱朗驰娱乐体育

iST42-CL
产品中心 一体式集成驱动器步进电机

iST42-CL

1、32位电机控制专用DSP芯片和优化的闭环矢量控制技术 2、内置微细分技术
选件:
  • iST42-CL

    编码器

  • iST42-CL

    齿轮箱

  • iST42-CL

    接插件

  • iST42-CL

    刹车

特点:

1、采用32位电机控制专用芯片

2、闭环矢量控制技术

3、低速超静音,电流平滑,满足各类场景的应用

4、电压等级12VDC~48VDC,支持宽电压输入

5、脉冲信号电平支持TTL 3.3V\5V,支持共阴极、共阳极接法

6、控制指令最大脉冲频率250KHz

7、具有过压、欠压、过流、过温等保护功能

8、内置平滑微细分技术

9、电机静止时电流自动衰减,减小发热量

10、超高性价比,经济高效

11、可接受定制化


典型应用: 

广泛应用于各种中小型自动化设备和仪器,例如:电子加工设备、3C非标自动化设备、锁螺丝机、剥线机、绕线机、端子机、激光机、打标机、喷绘机、中小型雕刻机、自动抓取设备、专用数控机床、包装设备和机器人等。


产品概述:

采用32位ARM数字处理技术,内置微细分和中频振动抑制技术,有效提升电机运行平稳性、减小发热等。细分和电流可通过拨码设置,接口定义简单,致力于为客户提供高性价比的一体机控制解决方案。


拨码设置:

采用6位拨码开关设定最小电流和细分数,详细描述如下:

image

SW5、SW4设置驱动器最小电流

电流

SW4

SW5

0.5A

ON

ON

1A

OFF

ON

1.5A

ON

OFF

2A

OFF

OFF

细分拨码SW1、SW2、SW3:如下图拨码细分表,客户可通过拨码设置所需的细分。


Pulse/rev

SW1

SW2

SW3

400

ON

ON

ON

800

OFF

ON

ON

1600

ON

OFF

ON

3200

OFF

OFF

ON

6400

ON

ON

OFF

12800

OFF

ON

OFF

25600

ON

OFF

OFF

51200

OFF

OFF

OFF


控制端口(JST B08B-PASK  8引脚)

引脚号

信号

功能

说明

1

PU

脉冲

支持3.3V5V 电平,使用更高电平需外接限流电阻

2

F/R

方向

信号截止\悬空:正转

信号接通:反转

3

SS

停止

信号截止\悬空:电机正常操作

信号接通:电机停止

4

AR

报警清除

信号接通:停机清除故障信号

5

XCOM

输入信号公共端

支持共阳极、共阴极接线

6

ALM

报警输出

开漏输出

高电平:正常

低电平:报警

7

STA

电机运行状态

开漏输出

高电平:停止

低电平:运行

8

YCOM

输出信号公共端

输出信号的GND


电源端口 (DB125-3.5-2P  2位引脚)

引脚号

信号

功能说明

1

VDD

电源输入正端 ,输入电压为12~48Vdc

2

GND

电源输入负端


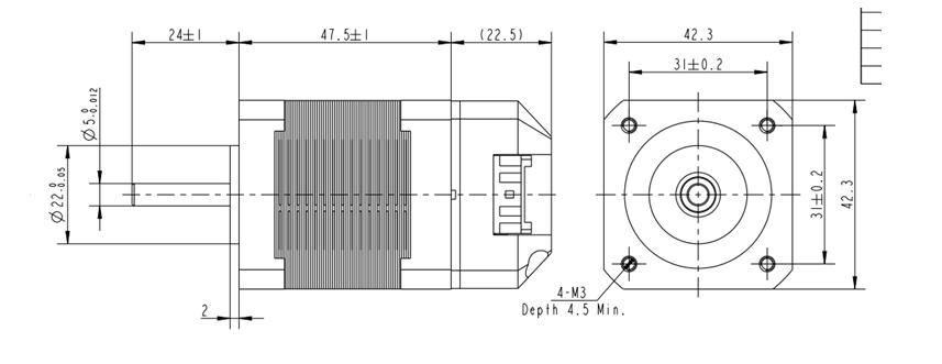
电机尺寸

image

资料下载
iST42-CL一体式闭环步进电机使用说明书 593.1 KB
调试软件 196 B
2D 219.75 KB
3D 5.4 MB

Copyright 2023 版权所有 江苏富兴电机技术股份有限公司

朗驰娱乐线上足球大全(官方)网站/网页版登录入口/手机版登录入口-最新版(已更新) 博鱼外围真人公司(官方)网站/网页版登录入口/手机版登录入口-最新版(已更新) 正规利记盘口(官方)网站/网页版登录入口/手机版登录入口-最新版(已更新) 博鱼正规知名盘口(官方)网站/网页版登录入口/手机版登录入口-最新版(已更新) 真人盛凯国际足球大全(官方)网站/网页版登录入口/手机版登录入口-最新版(已更新) 朗驰娱乐最火足球网站(官方)网站/网页版登录入口/手机版登录入口-最新版(已更新) 正规188BET官方买球(官方)网站/网页版登录入口/手机版登录入口-最新版(已更新) 188BET权威(官方)网站/网页版登录入口/手机版登录入口-最新版(已更新)