靠谱朗驰娱乐体育

42STH  IE
产品中心 内置驱动

42STH IE

1.8° 42mm, Nema 17, 内置驱动型步进电机
选件:
  • 42STH  IE

    编码器

  • 42STH  IE

    齿轮箱

  • 42STH  IE

    接插件

  • 42STH  IE

    刹车

特性概要(General specification)

项目(Item)

说明Specifications)

步距角(Step Angle)

1.8。

步距角精度(Step Angle Accuracy)

±5% (整步,空载)(full step ,no load)

径向间隙(Shaft Radial Play)

0.02mm@450 g-load

轴向间隙(Shaft Axial Play)

0.08mm@450 g-load

最大径向负载(Max. radial force)

28N  距法兰20mm  (20mm from the flange)

最大轴向负载(Max. axial force)

10N

介电强度(Dielectric Strength)

600VAC /1s

绝缘电阻(Insulation Resistance)

100MΩ ,500VDC

环境温度(Ambient Temperature)

-20。C~+50。C

绝缘等级(Insulation Class)

Class B


电性能(Electrical specifications)

型号(Model No.)

Current

/Phase

每相

电流

Resistance

/Phase

每相

电阻

Inductance

/Phase

每相

电感

Holding

Torque

保持

转矩

Detent

Torque

定位

转矩

# of Leads

引出线数

Rotor

Inertia

转动惯量

Weight

重量

Length

机身

长度

单出轴

(Single SHAFT)

A

Ω

mH

N.m

N.m

#

g-cm2

kg

mm

FL42STH33-1334A-IE2

1.33

2.1

2.5

0.22

0.012

4

35

0.22

33.5±1

FL42STH38-1684A-IE4

1.68

1.65

3.2

0.36

0.015

4

54

0.28

39.5±1

FL42STH47-1684A-IE4

1.68

1.65

2.8

0.44

0.02

4

68

0.35

47.5±1


驱动器电气指标(Drive electrical indicator)

说明(Specifications)

最小值(Min.)

典型值(Typ.)

最大值(Max.)

单位(Unit)

输入电压(直流)/ Input voltage (DC)

12

24

32

Vdc

输出电流(峰值)/ Output current (peak)

0.5

-

2.2

A

步进脉冲频率/ Step pulse frequency

0

-

200

KHz

脉冲电压/ Pulse voltage

-

5

5

Vdc

控制信号输入电流/ Control signal input current

7

10

16

mA

绝缘电阻/ Insulation resistance

100

-

-



细分设定(Microstep Resolution Selection)

细分

2

4

8

16

20

25

32

64

PU/Rev

400

800

1600

3200

4000

5000

6400

12800

SW6

ON

ON

ON

ON

OFF

OFF

OFF

OFF

SW5

ON

ON

OFF

OFF

ON

ON

OFF

OFF

SW4

ON

OFF

ON

OFF

ON

OFF

ON

OFF

 

动态电流设定(Dynamic current setting)

电流Peak

0.5A

0.7A

1.0A

1.2A

1.5A

1.8A

2.0A

2.2A

电流RMS

0.35A

0.5A

0.7A

0.85A

1.0A

1.28A

1.42A

1.58A

SW3

ON

ON

ON

ON

OFF

OFF

OFF

OFF

SW2

ON

ON

OFF

OFF

ON

ON

OFF

OFF

SW1

ON

OFF

ON

OFF

ON

OFF

ON

OFF

 

控制信号输入端接口(Control signal input interface)

引脚说明

(Pin description)

功能(Function)

+Vdc

电源电压:12~32 Vdc,包括电压波动和EMF电压。

Power supply:12~32 Vdc, Including voltage fluctuation and EMF voltage.

GND

接地(Power Ground)

OPTO+(+5V)

脉冲控制信号:脉冲上升沿有效;PUL-高电平时4~5V,低电平时0~0.5V。为了可靠响应脉冲信号,脉冲宽度应大于2.5如采用+12V或+24V时需串电阻。

Pulse control signal: pulse rising edge is valid; PUL-high level is 4~5V, low level is 0~0.5V. In order to respond reliably to pulse signals, the pulse width should be greater than 2.5. If +12V or +24V is used, string resistance is required.

PUL-

OPTO+(+5V)

方向信号:高/低电平信号,为保证电机可靠换向,方向信号应先于脉冲信号至少 5μs建立。电机的初始运行方向与电机的接线有关,互换任一相绕组(如A+、A-交换)可以改变电机初始运行的方向,DIR-高电平时4~5V,低电平时0~0.5V。 

Direction signal: High/low level signal. To ensure reliable commutation of the motor, the direction signal should be established before the pulse signal is at least 5μs. The initial running direction of the motor is related to the wiring of the motor. Interchanging any phase winding (such as A+, A-exchange) can change the direction of the initial running of the motor, DIR-high level 4~5V, low level 0~0.5V.

DIR-

OPTO+(+5V)

使能信号:此输入信号用于使能或禁止。ENA+ 接+5V,ENA-接低电平(或内部光耦导通)时,驱动器将切断电机各相的电流使电机处于自由状态,此时步进脉冲不被响应。当不需用此功能时,使能信号端悬空即可。

Enable signal: This input signal is used to enable or disable. When ENA+ is connected to +5V and ENA- is connected to low level (or internal optocoupler is on), the driver will cut off the current of each phase of the motor to make the motor free, and the step pulse will not be responded. When this function is not needed, the enable signal is left floating.

ENA-(ENA)

TXD

RS232 transmit

RXD

RS232 receive


该款电机可以根据客户需求定制。

The motor can be designed &manufactured with customized request.


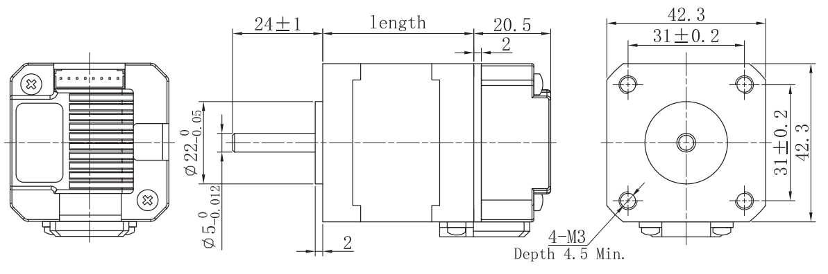
电机尺寸

image


系统连接框图(System connection diagram)

image


资料下载

Copyright 2023 版权所有 江苏富兴电机技术股份有限公司

朗驰娱乐线上足球大全(官方)网站/网页版登录入口/手机版登录入口-最新版(已更新) 博鱼外围真人公司(官方)网站/网页版登录入口/手机版登录入口-最新版(已更新) 正规利记盘口(官方)网站/网页版登录入口/手机版登录入口-最新版(已更新) 博鱼正规知名盘口(官方)网站/网页版登录入口/手机版登录入口-最新版(已更新) 真人盛凯国际足球大全(官方)网站/网页版登录入口/手机版登录入口-最新版(已更新) 朗驰娱乐最火足球网站(官方)网站/网页版登录入口/手机版登录入口-最新版(已更新) 正规188BET官方买球(官方)网站/网页版登录入口/手机版登录入口-最新版(已更新) 188BET权威(官方)网站/网页版登录入口/手机版登录入口-最新版(已更新)