靠谱朗驰娱乐体育

FL86ST
产品中心 1.8°两相步进电机

FL86ST

1.8° 86mm, Nema 24, ST结构圆形步进电机
选件:
  • FL86ST

    编码器

  • FL86ST

    齿轮箱

  • FL86ST

    接插件

  • FL86ST

    刹车

特性概要(General specification)


项目(Item)

说明(Specifications)

步距角(Step Angle)

1.8°

步距角精度(Step Angle Accuracy)

±5% (整步无负载,full step, no load)

径向间隙( Radial Play)

0.02mm@450 g

轴向间隙( Axial Play)

0.08mm@450 g

最大径向负载(Max. radial force)

220N  距法兰20mm  (20mm from the flange)

最大轴向负载(Max. axial force)

60N  

介电强度(Dielectric Strength)

820VAC / 1s

绝缘电阻(Insulation Resistance)

100MΩ ,500VDC

环境温度(Ambient Temperature)

-20。C~+50。C

绝缘等级(Insulation Class)

Class B



电性能(Electrical specifications)

型号(Model No.)

Current

/Phase

每相

电流

Resistance

/Phase

每相

电阻

Inductance

/Phase

每相

电感

Holding

Torque

保持

转矩

Detent

Torque

定位

转矩

# of Leads

引出线数

Rotor

Inertia

转动惯量

Weight

重量

Length

机身

长度

Single shaft

(单出轴)

A

Ω

mH

N.m

N.m

#

g-cm2

kg

mm

FL86ST67-2808AH

2.8

   1.3

5.1

2.8

0.12

8

660

1.6

67±1 

FL86ST94-2808AH

2.8

1.7

7.7

4.8

0.18

8

1200

2.4

94±1

FL86ST125-3508AH

3.5

1.42

7.9

7.6

0.23

8

1800

3.6

125±1


该款电机可以根据客户需求定制。

The motor can be designed &manufactured with customized request.


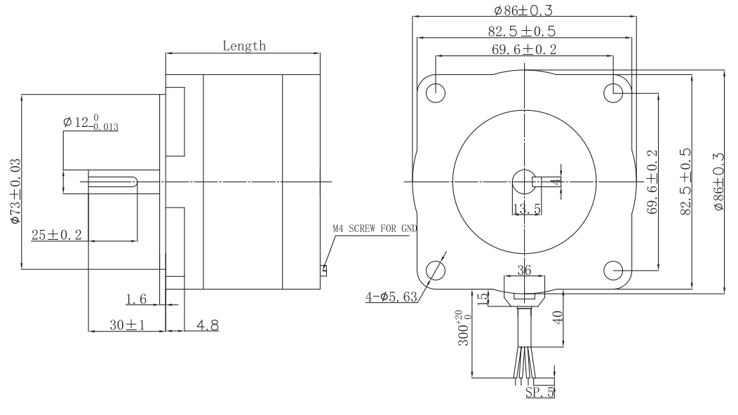
电机尺寸

image



接线图(Wiring Diagram)

 image


矩频曲线 (Pull out torque curve) 

image

image


资料下载
FL86STH65-2808A 126.5 KB
FL86STH80-4208A 127.52 KB
FL86STH118-4208A 124.18 KB
FL86STH156-4208A 128.97 KB

Copyright 2023 版权所有 江苏富兴电机技术股份有限公司

朗驰娱乐线上足球大全(官方)网站/网页版登录入口/手机版登录入口-最新版(已更新) 博鱼外围真人公司(官方)网站/网页版登录入口/手机版登录入口-最新版(已更新) 正规利记盘口(官方)网站/网页版登录入口/手机版登录入口-最新版(已更新) 博鱼正规知名盘口(官方)网站/网页版登录入口/手机版登录入口-最新版(已更新) 真人盛凯国际足球大全(官方)网站/网页版登录入口/手机版登录入口-最新版(已更新) 朗驰娱乐最火足球网站(官方)网站/网页版登录入口/手机版登录入口-最新版(已更新) 正规188BET官方买球(官方)网站/网页版登录入口/手机版登录入口-最新版(已更新) 188BET权威(官方)网站/网页版登录入口/手机版登录入口-最新版(已更新)