靠谱朗驰娱乐体育

FL110BLG
产品中心 高性能防水无刷电机

FL110BLG

110mm高性能防水无刷电机,IP65, F级绝缘,伺服结构
选件:
  • FL110BLG

    编码器

  • FL110BLG

    齿轮箱

  • FL110BLG

    接插件

  • FL110BLG

    刹车

特性概要 ( General Specifications )

绕组连接方式 ( Winding Type )

星形 ( Star connection )

径向负载 ( Max radial force )

630N @ 20mm from the flange

轴向负载 ( Max axial force )

315N

绝缘等级 (Insulation Class)

Class B

防护等级 (Protection level)

IP65

使用环境温度 (Temperature)  

-20℃~ +50℃

使用环境湿度 (Relative humidity)

≤90%RH (无凝露)( No dewing)

存储环境 (Storage Condition)

-20℃~ +85℃,≤85%RH (无凝露)( No dewing)

安装环境(Installation environment)

远离腐蚀、可燃性气体,油滴,灰尘,

海拔≤1000m  Far away active gas,

Combustible gas, oil drop, ash


接线说明(Electric Connection)


Pin No

引出线型号Type

引出线颜色Color

功能Functions

5

UL1332 AWG26

 

绿色  ( Green )

霍尔电源正  ( Vcc )

1


黄色  ( Yellow )

霍尔 U ( Hu )

2


棕色  ( Brown )

霍尔 V ( Hv )

3


灰色  ( Gray )

霍尔 W ( Hw )

4


蓝色  ( Blue )

霍尔电源负 ( GND )

1

具体规格见图纸定义

黄色  ( Yellow )

U相 ( Phase U )

2


红色  ( Red)

V相 ( Phase V )

3


黑色  ( Black )

W相 ( Phase W )


电机技术性能 (Motor Technical Specification)


单 位 (Unit)

FL110BLG15

FL110BLG20

极数  ( Number of poles )


10

相数  ( Number of phases )


3

额定电压 ( Rated  voltage )         

VDC

310

48

310

48

额定转矩 ( Rated torque)        

N.m

4.77

4.77

6.37

6.37

连续运行转矩 ( Continuous stall torque)

N.m

5.72

5.72

7.64

7.64

额定速度 ( Rated speed )    

RPM

3000

3000

3000

3000

额定功率 ( Rated power ) 

W

1500

1500

2000

2000

峰值转矩 ( Peak torque )

N.m

14.3

14.3

19.1

19.1

峰值电流 ( Peak current )   

A

28

166

37.5

214

线电阻 ( Line to line resistance )        ;  

ohms@20℃ 

0.36

0.01

0.29

0.009

线电感 ( Line to line inductance )

mH  

5.6

0.16

4.8

0.145

转矩常数 ( Torque constant ) 

Nm/A

0.51

0.086

0.51

0.089

反电势 ( Back EMF )

Vrms/KRPM

38.1

6.35

38.1

6.63

转动惯量 ( Rotor inertia )           

kg.cm2

3.1

3.1

4.1

4.1

机身长度 ( Motor length )       L

mm

151.5

156.5

168.5

173.5

重量 ( Weight )

kg

5

5.2

6.7

6.9


该款电机可以根据客户需求定制。

The motor can be designed &manufactured with customized request.


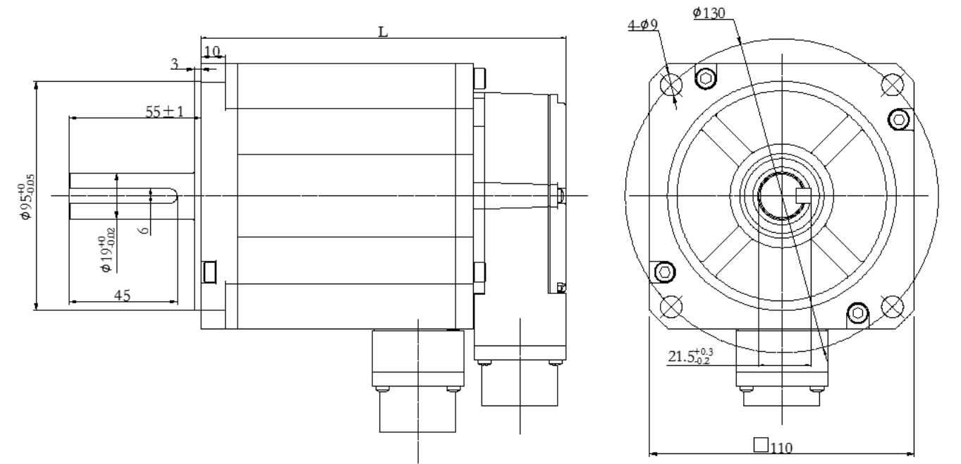
电机尺寸

image

资料下载

Copyright 2023 版权所有 江苏富兴电机技术股份有限公司

朗驰娱乐线上足球大全(官方)网站/网页版登录入口/手机版登录入口-最新版(已更新) 博鱼外围真人公司(官方)网站/网页版登录入口/手机版登录入口-最新版(已更新) 正规利记盘口(官方)网站/网页版登录入口/手机版登录入口-最新版(已更新) 博鱼正规知名盘口(官方)网站/网页版登录入口/手机版登录入口-最新版(已更新) 真人盛凯国际足球大全(官方)网站/网页版登录入口/手机版登录入口-最新版(已更新) 朗驰娱乐最火足球网站(官方)网站/网页版登录入口/手机版登录入口-最新版(已更新) 正规188BET官方买球(官方)网站/网页版登录入口/手机版登录入口-最新版(已更新) 188BET权威(官方)网站/网页版登录入口/手机版登录入口-最新版(已更新)