靠谱朗驰娱乐体育

Φ15系列永磁直线步进电机
产品中心 PM步进电机

Φ15系列永磁直线步进电机

富兴步进电机提供高性能的两相及三相混合式步进电机,有多种尺寸和输出扭矩,单极性或双极性控制以及单轴或双轴。产品分为标准型,力矩增强型,高防护型等,可以充分满足不同用户的各种应用需求。
选件:
  • Φ15系列永磁直线步进电机

    编码器

  • Φ15系列永磁直线步进电机

    齿轮箱

  • Φ15系列永磁直线步进电机

    接插件

  • Φ15系列永磁直线步进电机

    刹车

1、技术规格:

绕组类型

单\双极性

电机结构

外部驱动式

步距角

18

工作电压

V

4

5

12

每相电流

mA

200

160

70

每相电阻

Ω

20

33

180

每相电感

mH

506

8.7

49

步长

mm

0.02

0.025

0.05

注:参数可以根据客户要求订制。可选丝杆直径① 3.0(mm),可选导程① 0.5、1.0(mm)。步长=(步距角度/360)*导程(mm)



2、步进速度与推力曲线:

image

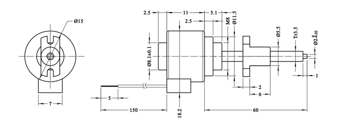
电机尺寸

image

资料下载

Copyright 2023 版权所有 江苏富兴电机技术股份有限公司

朗驰娱乐线上足球大全(官方)网站/网页版登录入口/手机版登录入口-最新版(已更新) 博鱼外围真人公司(官方)网站/网页版登录入口/手机版登录入口-最新版(已更新) 正规利记盘口(官方)网站/网页版登录入口/手机版登录入口-最新版(已更新) 博鱼正规知名盘口(官方)网站/网页版登录入口/手机版登录入口-最新版(已更新) 真人盛凯国际足球大全(官方)网站/网页版登录入口/手机版登录入口-最新版(已更新) 朗驰娱乐最火足球网站(官方)网站/网页版登录入口/手机版登录入口-最新版(已更新) 正规188BET官方买球(官方)网站/网页版登录入口/手机版登录入口-最新版(已更新) 188BET权威(官方)网站/网页版登录入口/手机版登录入口-最新版(已更新)