靠谱朗驰娱乐体育

FL80BLE
产品中心 经济型无刷电机

FL80BLE

Φ80mm 经济型无刷电机,48VDC, 5000RPM
选件:
  • FL80BLE

    编码器

  • FL80BLE

    齿轮箱

  • FL80BLE

    接插件

  • FL80BLE

    刹车

特性概要 ( General Specifications )              

绕组连接方式 ( Winding Type )

星形 ( Star connection)

霍尔分布角度 ( Hall Effect Angle )

120度电角度 ( Electrical Angle of 120 degree)

径向间隙 ( Radial Play )

0.02mm

轴向间隙 ( Axial Play )

0.14mm

最大径向负载 ( Max radial force )

115N  距法兰10mm ( 10mm From the flange)

最大轴向负载 ( Max axial force )

45N

介电强度 ( Dielectric Strength )  

600VAC/1S

绝缘电阻 ( Insulation Resistance )

100MΩ, 500VDC

环境温度 ( Ambient Temperature )

-20°C   ~   +50°C

绝缘等级 (Insulation Class)

Class B

  

电性能 (Electrical Specifications)             


单 位 (Unit)

FL80BLE10-48V-5010B

FL80BLE40-48V-5047B

极数  ( Number of poles )


4

4

相数  ( Number of phases )


3

3

额定电压 ( Rated  voltage )         

VDC

48

48

额定转矩 ( Rated torque)        

N.m

0.2

0.9

连续运行转矩 ( Continuous stall torque)

N.m

0.24

1.08

额定速度 ( Rated speed )         

RPM

5000

5000

额定功率 ( Rated power )         

W

100

470

峰值转矩 ( Peak torque )          

N.m

0.6

2.7

峰值电流 ( Peak current )         

A

10.5

36

线电阻 ( Line to line resistance )              

ohms@20℃ 

1.3

0.26

线电感 ( Line to line inductance )              

mH  

1.9

0.5

转矩常数 ( Torque constant )         

mNm/A

72

72

反电势 ( Back EMF )           

Vrms/KRPM

5.4

5.4

转动惯量 ( Rotor inertia )           

g.cm2

146

385

机身长度 ( Motor length )    ;   

mm

50

80

重量 ( Weight )               

Kg

0.8

1.5


接线说明(Electric Connection)                   

No.

引出线颜色Color

引出线型号Type

功能Functions

说明Description

1

红色  ( Red )

UL1332 AWG26

霍尔电源正  ( Vcc )

Power positive +5 ~ +24V

2

蓝色  ( Blue )

霍尔 U ( Hu )


3

绿色  ( Green )

霍尔 V ( Hv )


4

白色  ( White )

霍尔 W ( Hw )


5

黑色  ( Black )

霍尔电源负 ( GND )

Power negative 

6

黄色  ( Yellow )

UL1332 AWG16

U相 ( Phase U )


7

红色  ( Red )

V相 ( Phase V )


8

黑色  ( Black)

W相 ( Phase W )



该款电机可以根据客户需求定制。

The motor can be designed &manufactured with customized request.


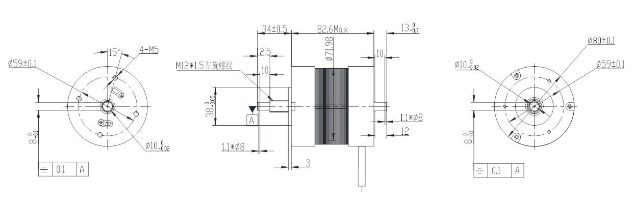
电机尺寸

image

资料下载

Copyright 2023 版权所有 江苏富兴电机技术股份有限公司

朗驰娱乐线上足球大全(官方)网站/网页版登录入口/手机版登录入口-最新版(已更新) 博鱼外围真人公司(官方)网站/网页版登录入口/手机版登录入口-最新版(已更新) 正规利记盘口(官方)网站/网页版登录入口/手机版登录入口-最新版(已更新) 博鱼正规知名盘口(官方)网站/网页版登录入口/手机版登录入口-最新版(已更新) 真人盛凯国际足球大全(官方)网站/网页版登录入口/手机版登录入口-最新版(已更新) 朗驰娱乐最火足球网站(官方)网站/网页版登录入口/手机版登录入口-最新版(已更新) 正规188BET官方买球(官方)网站/网页版登录入口/手机版登录入口-最新版(已更新) 188BET权威(官方)网站/网页版登录入口/手机版登录入口-最新版(已更新)