靠谱朗驰娱乐体育

FL42STH
产品中心 1.8°两相步进电机

FL42STH

1.8° 42mm, Nema 17, STH结构混合式步进电机
选件:
  • FL42STH

    编码器

  • FL42STH

    齿轮箱

  • FL42STH

    接插件

  • FL42STH

    刹车

特性概要(General specification)


项目(Item)

说明(Specifications)

步距角(Step Angle)

1.8°

步距角精度(Step Angle Accuracy)

±5% (整步无负载,full step, no load)

径向间隙( Radial Play)

0.02mm@450 g

轴向间隙( Axial Play)

0.08mm@450 g

最大径向负载(Max. radial force)

28N  距法兰20mm  (20mm from the flange)

最大轴向负载(Max. axial force)

10N  

介电强度(Dielectric Strength)

600VAC / 1s

绝缘电阻(Insulation Resistance)

100MΩ ,500VDC

环境温度(Ambient Temperature)

-20。C~+50。C

绝缘等级(Insulation Class)

Class B



电性能(Electrical specifications)

型号(Model No.)

Current

/Phase

每相

电流

Resistance

/Phase

每相

电阻

Inductance

/Phase

每相

电感

Holding

Torque

保持

转矩

Detent

Torque

定位

转矩

# of Leads

引出线数

Rotor

Inertia

转动惯量

Weight

重量

Length

机身

长度

Single shaft

(单出轴)

A

Ω

mH

N.m

N.m

#

g-cm2

kg

mm

FL42STH25-0404A

0.4

24

30

0.17

0.0075

4

20

0.15

26±1

FL42STH33-0956A

0.95

4.2

2.5

0.16

0.012

6

35

0.22

33.5±1

FL42STH33-1334A

1.33

2.1

2.5

0.22

4

FL42STH38-1206A

1.2

3.3

3.2

0.26

0.015

6

54

0.28

39.5±1

FL42STH38-1684A

1.68

1.65

3.2

0.36

4

FL42STH47-1206A

1.2

3.3

2.8

0.317

0.02

6

68

0.35

47.5±1

FL42STH47-1684A

1.68

1.65

2.8

0.44

4

FL42STH60-1206A

1.2

6

7

0.56

0.028

6

102

0.5

60±1

                           

该款电机可以根据客户需求定制。

The motor can be designed &manufactured with customized request.


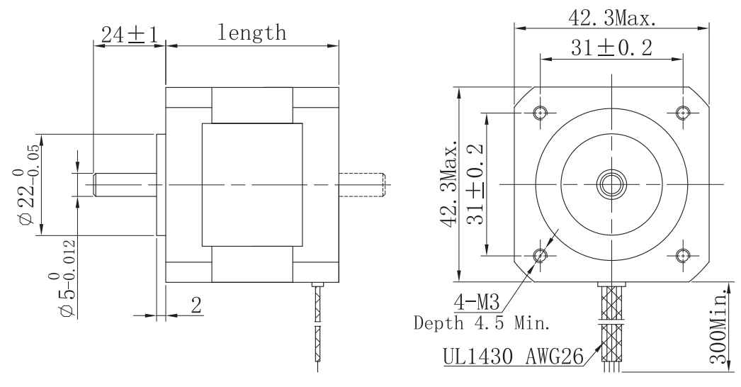
电机尺寸

image



接线图(Wiring Diagram)

image



矩频曲线 (Pull out torque curve) 

image

image


资料下载
FL42STA67-2304AF 160.68 KB
FL42STH25-0404A 152.37 KB
FL42STH33-0956A 153.64 KB
FL42STH33-1334A 152.06 KB
FL42STH38-1206A 153.75 KB
FL42STH38-1684A 153.05 KB
FL42STH47-1206A 153.39 KB
FL42STH47-1684A 152.69 KB
FL42STH60-1206A 153.47 KB

Copyright 2023 版权所有 江苏富兴电机技术股份有限公司

朗驰娱乐线上足球大全(官方)网站/网页版登录入口/手机版登录入口-最新版(已更新) 博鱼外围真人公司(官方)网站/网页版登录入口/手机版登录入口-最新版(已更新) 正规利记盘口(官方)网站/网页版登录入口/手机版登录入口-最新版(已更新) 博鱼正规知名盘口(官方)网站/网页版登录入口/手机版登录入口-最新版(已更新) 真人盛凯国际足球大全(官方)网站/网页版登录入口/手机版登录入口-最新版(已更新) 朗驰娱乐最火足球网站(官方)网站/网页版登录入口/手机版登录入口-最新版(已更新) 正规188BET官方买球(官方)网站/网页版登录入口/手机版登录入口-最新版(已更新) 188BET权威(官方)网站/网页版登录入口/手机版登录入口-最新版(已更新)