靠谱朗驰娱乐体育

FL63ST
产品中心 1.8°两相步进电机

FL63ST

1.8° 63mm, ST结构超薄型步进电机
选件:
  • FL63ST

    编码器

  • FL63ST

    齿轮箱

  • FL63ST

    接插件

  • FL63ST

    刹车

特性概要(General specification)

项目(Item)

说明(Specifications)

步距角(Step Angle)

1.8°

步距角精度(Step Angle Accuracy)

±5% (整步无负载,full step, no load)

径向间隙( Radial Play)

0.02mm@400 g

轴向间隙( Axial Play)

0.08mm@400 g

最大径向负载(Max. radial force)

10N  距法兰5mm  (5mm from the flange)

最大轴向负载(Max. axial force)

2N  

介电强度(Dielectric Strength)

600VAC / 1S

绝缘电阻(Insulation Resistance)

100MΩ ,500VDC

环境温度(Ambient Temperature)

-20。C~+50。C

绝缘等级(Insulation Class)

Class B


电性能(Electrical specifications)

型号(Model No.)

Current

/Phase

每相

电流

Resistance

/Phase

每相

电阻

Inductance

/Phase

每相

电感

Holding

Torque

保持

转矩

Detent

Torque

定位

转矩

# of Leads

引出线数

Rotor

Inertia

转动惯量

Weight

重量

Length

机身

长度

Single shaft(单出轴)

A

Ω

mH

N.m

N.m

#

g-cm2

kg

mm

FL63ST10-1004A-01

1.0

3.8

2.0

0.06

0.005

4

16

0.095

9.6 

                                   

该款电机可以根据客户需求定制。

The motor can be designed &manufactured with customized request.


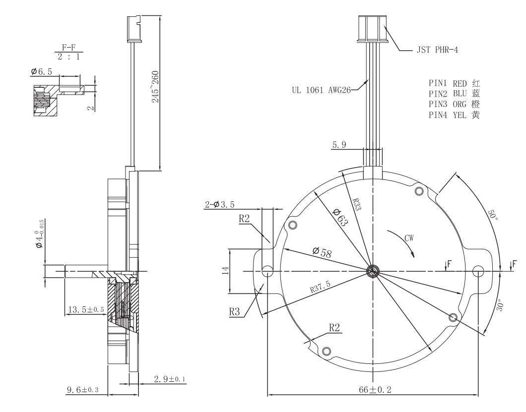
电机尺寸

image



接线图(Wiring Diagram)               

image


矩频曲线 (Pull out torque curve)

image


资料下载
FL63ST10-1004A-01 173.09 KB

Copyright 2023 版权所有 江苏富兴电机技术股份有限公司

朗驰娱乐线上足球大全(官方)网站/网页版登录入口/手机版登录入口-最新版(已更新) 博鱼外围真人公司(官方)网站/网页版登录入口/手机版登录入口-最新版(已更新) 正规利记盘口(官方)网站/网页版登录入口/手机版登录入口-最新版(已更新) 博鱼正规知名盘口(官方)网站/网页版登录入口/手机版登录入口-最新版(已更新) 真人盛凯国际足球大全(官方)网站/网页版登录入口/手机版登录入口-最新版(已更新) 朗驰娱乐最火足球网站(官方)网站/网页版登录入口/手机版登录入口-最新版(已更新) 正规188BET官方买球(官方)网站/网页版登录入口/手机版登录入口-最新版(已更新) 188BET权威(官方)网站/网页版登录入口/手机版登录入口-最新版(已更新)