靠谱朗驰娱乐体育

FL86SVA
产品中心 闭环无刷电机

FL86SVA

86mm闭环直流无刷电机,48VDC, 3000RPM
选件:
  • FL86SVA

    编码器

  • FL86SVA

    齿轮箱

  • FL86SVA

    接插件

  • FL86SVA

    刹车

一般技术特性 (General Technical Information)

参数
特性

编码器类型(Encoder type)

1、光电编码器 Optical encoder

2、磁编码器 Magnetic encoder

3、旋转变压器Resolver

备注:多种分辨率可选,增量式、绝对值式可选。

Note: Multiple resolutions are available;Incremental and absolute values are available.

径向负载(Max radial force )

200N@20mm  from the flange

 

 

 

环境条件

Environmental conditions 

使用环境温度: -20℃~ +40℃;

Temperature: -20℃~ +40℃

使用环境湿度:≤90%RH(无凝露);

Relative humidity: ≤90%RH(No dewing)

安装环境:远离腐蚀、可燃性气体,油滴,灰尘,

海拔≤1000m(1000~4000m,降额使用);

Installation environment: Far away active gas,

Combustible gas, oil drop, ash.

altitude≤1000m(1000~4000m,Derating use);

存储环境:-20℃~ +60℃,≤85%RH(无凝露)。

Storage Condition: -20℃~ +60℃,≤85%RH(No dewing).

轴向负载(Max axial force )

65N

绝缘等级(Insulation Class)

B

防护等级(Protection level)

IP30

 

电机技术性能 (Motor Technical Specification)


单位(Unit)

FL86SVA01

FL86SVA02

FL86SVA03

额定电压(Rated voltage)

VDC

48

额定转速(Rated speed)

RPM

3000

额定转矩(Rated torque)

N·m

0.35

0.7

1.4

额定电流(Rated current)

A

3

5.6

11

空载转速(no load speed)

RPM

3600

峰值转矩(Peak torque)

N·m

1.05

2.1

4.2

峰值电流(Peak current) 

A

9.5

17.5

33.5

电阻(Line to line resistance)

Ω

0.09

0.34

     0.16

电感(Line to line inductance)

mH

2.6

1

     0.5

反电势系数(Back EMF)

V/Krpm

8.6

9

     9.4

转矩系数(Torque constant)

Nm/A

0.116

0.124

     0.127

极数(Number of poles)


8

编码器(Encoder)

CPR

1000

转动惯量(Rotor inertia)

g.cm2

400

800

1600

机身长度L(Motor length)

mm

86

99

126

重量(Weight)

Kg

1.9

2.4

3.5

 

接线说明(Electric Connection)  

序号No.

引出线颜色Lead Color

引出线型号Lead Gauge

功能Function

说明Description

1

红白色(Red/White)

 

 

 

Cable

AWG26

GND

Signal Power negative

2

红色( Red)

VCC:+5VDC

Signal Power positive

3

蓝色(Blue)

EA-

Two-channel differential signal (Three-channel differential signal can be provided).

4

蓝黑色(Blue/Black)

EA+

5

黑色(Black)

EB-

6

黑白色(Black/White)

EB+

7

棕色(Brown)

霍尔HALL A


8

橙色(Orange)

霍尔HALL B


9

黄色(Yellow)

霍尔HALL C


1

黄色(Yellow)

Cable

AWG18

U相(Phase U)


2

红色(Red)

V相(Phase V)


3

黑色(Black)

W相(Phase W)



该款电机可以根据客户需求定制。

The motor can be designed &manufactured with customized request.


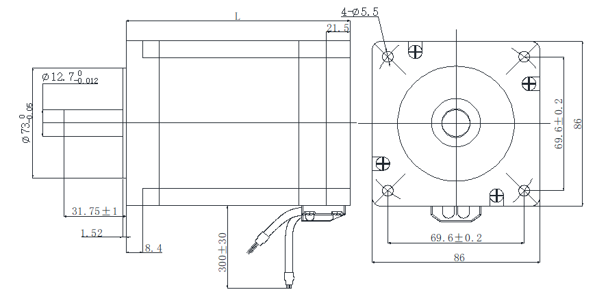
电机尺寸

image




性能曲线 (Performance Curve)

image


资料下载
FL86SVA02 209.49 KB
FL86SVA01 209.56 KB
FL86SVA03 209.18 KB

Copyright 2023 版权所有 江苏富兴电机技术股份有限公司

朗驰娱乐线上足球大全(官方)网站/网页版登录入口/手机版登录入口-最新版(已更新) 博鱼外围真人公司(官方)网站/网页版登录入口/手机版登录入口-最新版(已更新) 正规利记盘口(官方)网站/网页版登录入口/手机版登录入口-最新版(已更新) 博鱼正规知名盘口(官方)网站/网页版登录入口/手机版登录入口-最新版(已更新) 真人盛凯国际足球大全(官方)网站/网页版登录入口/手机版登录入口-最新版(已更新) 朗驰娱乐最火足球网站(官方)网站/网页版登录入口/手机版登录入口-最新版(已更新) 正规188BET官方买球(官方)网站/网页版登录入口/手机版登录入口-最新版(已更新) 188BET权威(官方)网站/网页版登录入口/手机版登录入口-最新版(已更新)