特性概要 ( General Specifications ) | |
绕组连接方式 ( Winding Type ) | 星形 ( Star connection) |
霍尔分布角度 ( Hall Effect Angle ) | 120度电角度 ( Electrical Angle of 120 degree) |
径向间隙 ( Radial Play ) | 0.02mm@450g |
轴向间隙 ( Axial Play ) | 0.08mm@450g |
最大径向负载 ( Max radial force ) | 15N 距法兰10mm ( 10mm From the flange) |
最大轴向负载 ( Max axial force ) | 10N |
介电强度 ( Dielectric Strength ) | 600VAC/1S |
绝缘电阻 ( Insulation Resistance ) | 100MΩ, 500VDC |
环境温度 ( Ambient Temperature ) | -20°C ~ +50°C |
绝缘等级 (Insulation Class) | Class B |
接线说明(Electric Connection) | ||
引出线型号Type | 引出线颜色Color | 功能Functions |
红色Red \黑色 Black,UL1430 AWG24;others UL1430 AWG26 | 红色 ( Red ) | 电源正 ( Vcc ) |
黑色 ( Black ) | 电源负 ( GND ) | |
蓝色 ( Blue ) | 转向控制(Rotating Direction)CW/CCW | |
绿色 ( Green ) | PWM调速(Speed Control) | |
黄色 (Yellow ) | 转速信号反馈(Tacho out) | |
白色(White) | 刹车(Break) | |
电性能 (Electrical Specifications)
单 位 (Unit) | FL36CBL30-24V-488A-IE-02 | FL36CBL40-24V-4818A-IE-02 | FL36CBL50-24V-4828A-IE | FL36CBL57-24V-4533A-IE | FL36CBL60-24V-4840A-IE-01 | FL36CBL65-24V-4845A-IE | |
极数 ( Number of poles ) | 8 | ||||||
相数 ( Number of phases ) | 3 | ||||||
额定电压( Rated voltage ) | VDC | 24 | |||||
额定转矩 ( Rated torque) | mN.m | 15 | 35 | 55 | 70 | 80 | 90 |
连续运行转矩 ( Continuous stall torque) | mN.m | 18 | 42 | 66 | 84 | 96 | 108 |
额定速度 ( Rated speed ) | RPM | 4800 | 4800 | 4800 | 4500 | 4800 | 4800 |
额定功率 ( Rated power ) | W | 8 | 18 | 28 | 33 | 40 | 45 |
峰值转矩 ( Peak torque ) | mN.m | 45 | 105 | 110 | 110 | 110 | 110 |
峰值电流 ( Peak current | A | 1.3 | 3 | 3 | 3 | 3 | 3 |
线电阻 ( Line to line resistance ) | ohms@20℃ | 5.2 | 2 | 1.2 | 1.05 | 0.95 | 0.88 |
线电感( Line to line inductance ) | mH | 3.3 | 1.9 | 1.2 | 1 | 0.85 | 0.8 |
转矩常数( Torque constant ) | mN.m/A | 36 | 40 | 39 | 40 | 40 | 40 |
反电势( Back EMF ) | Vrms/KRPM | 2.7 | 3 | 2.9 | 3 | 3 | 3 |
转动惯量( Rotor inertia ) | g.cm2 | 6 | 12 | 22 | 27 | 30 | 32 |
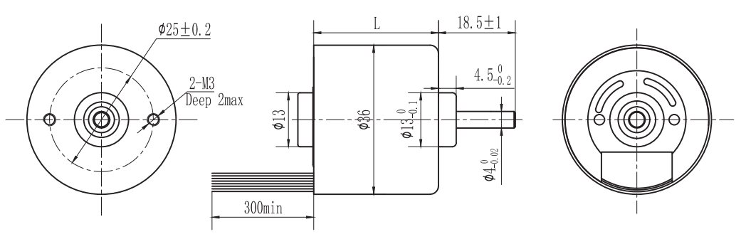
机身长度 ( Motor length ) L | mm | 30 | 40 | 50 | 57 | 60 | 65 |
重量( Weight ) | Kg | 0.12 | 0.16 | 0.23 | 0.25 | 0.27 | 0.28 |
该款电机可以根据客户需求定制。
The motor can be designed &manufactured with customized request.

Copyright 2023 版权所有 江苏富兴电机技术股份有限公司